芯城品牌采购网 > 品牌资讯 > 技术方案 > 聊聊汽车级光伏驱动器和分立MOSFET
芯城品牌采购网
28948
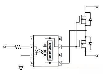
工程师已经研究和开发了可以代替机械继电器的固态继电器设备。与机械继电器相比,这些固态继电器具有更高的可靠性,更快的切换时间,没有切换弹跳以及更小的尺寸。但是随着这些优点的出现,带来了使设计人员和用户不愿使用固态继电器的缺点。诸如较高的成本和较高的相对导通电阻的缺点。本文讨论了汽车级光伏驱动器和分立MOSFET,以形成光隔离的固态继电器。
借助光伏驱动器,设计人员可以从广泛的汽车级MOSFET产品组合中进行选择,以构建满足所需电压和电流额定值的光隔离固态继电器。鉴于当今市场上具有竞争力的MOSFET价格,将光伏驱动器与一个或两个分立的MOSFET结合使用以形成固态继电器是替代机械继电器的理想选择。


免责声明:
文章内容转自互联网,不代表本站赞同其观点;
如涉及内容、图片、版权等问题,请联系2644303206@qq.com我们将在第一时间删除内容!